Ed's 'StreetRunner' Quad Build

Not much done today. XMAS lights to put up.

Got the body off so I can work on the wiring easier.



The next step is to sit and plan how it all goes together.
This is the preliminary positioning of the terminal blocks/converter.
By doing it this way, only an uncoupling of the rear lights should allow body removal.
The two, wire bundles won't be used.
I'm already visualizing the next , roadster body, :unsure:

 
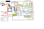
Update on wiring diagram

As I learn . . .

I'm learning about relays. When, why, and how to use them.
I checked the wattage and amps of the sealed beams I'm using and the result is: 75/55 watts (High/low beam I presume)
That calculated out to 6.25 amps on high beam and 4.58 on low beam. Times two for two headlights = 12.5 amps, 9.16 amps
Not sure if the whole circuit should be fused at 10 amps. I understand that the fuse should NOT be greater than the total load.

The rear lights are 6" LEDs with minimal amp draw.

So as of this post anyway, you will see I have added a relay for the headlights. If I have done it correctly.
The 5-gang panel toggle switches are rated for 20 amps each so should be OK for (on/off)
But for the simplicity of switching from high to low, I think I will be using a separate switch with a 5-pin relay.

Maybe an 'old-school' floor switch.


 
Last edited:
I used that battery switch on my hot rod. pretty good deal
here is a revised drawing but no relay

Thanks for the feedback.

Two points to ponder.

First, I want the voltmeter on a switch because it draws power away from the battery continuously.
There is no need for wasting battery power, though it may be minimal.
The same goes for the 5-gang panel. I will be disconnecting the panel light leads as there will be no night driving.

Second, I'm more comfortable with using the negative side for connecting the cut-off switch.

I'm considering using another option for battery on/off.

 
While I wait for the circuit breaker to get here, I have been playing around with dash configuration.

My latest design with one extra toggle for, ???


Another version
 
Last edited:
curious? how are the drink holders going to hold anything when the dash is vertical?
I think you went overboard on the breaker switch. $18+. A simple toggle switch and an inline fuse.
Give any thought about using lighted toggle switches.
 
curious? how are the drink holders going to hold anything when the dash is vertical?
I think you went overboard on the breaker switch. $18+. A simple toggle switch and an inline fuse.
Give any thought about using lighted toggle switches.

Morning Idaho

Yeah, the breaker is a bit on the expensive side. But on advice from those that deal with and have this type set up, it was suggested I go with a 'solar-type' breaker. The kill switch idea I found out results in a current surge and a heavy sparking situation that causes burn-out of the switch components. That, in itself, didn't deter me, as much as wanting to protect the expensive battery I'm using. I read up on the breaker I bought and it seems to be able to withstand the power surge that comes from the battery each time it is switched on.

The breaker on the battery will be left on continuous, so this new breaker will act as a back-up and will be the on/off switch which can handle the current surge this battery generates...so I'm told.

And the dash configuration is only drawn vertical. It will lay horizontal in front of the body.





Lighted switches? Yes, something like these
 
Moving right along

The breaker is to arrive Monday and the switches on Wednesday (maybe).

Updated the wiring diagram to add the circuit breaker and now the 12-volt voltmeter as well.
Contrary to my previous post, I have wired the breaker on the positive line because that is how the breaker in the battery is wired.
Reminder: the extra breaker provides access to it, whereas the battery breaker is inaccessible once the battery cover is on.

I will have dual voltage readings at any given time. If they are wired correctly.
I have wired the 12-volt meter to the 12-volt socket circuit. I can flick the switch at any time to see what my 12-volt system is doing and/or use the 12-volt socket. Right next to the - EJECT button.



Also redesigned the dash layout.

The primary power switch is now located on the rear vertical panel behind the switches


With so much thought going into this wiring, I'm sure to forget or get something wrong.
So feel free to offer up your thoughts.

I'm starting to see the end of this, and the excitement is growing each day, that maybe, just maybe I will actually realize my goal of driving it in a parade or 2, or 3 or ? 🙂... next year.
 
New problem
(Updated)
I want to have a 'battery on' warning light. I've looked throughout the internet and haven't found any of the common dash warning lights that are 48 volt powered. I found a couple of lights but they really aren't what I'm wanting.

Anyone?

Is there an option without having to install a second dc-dc converter to use lower volt lights?
I don't want to fire up the main converter just for one light.
 
Last edited:
New problem
(Updated)
I want to have a 'battery on' warning light. I've looked throughout the internet and haven't found any of the common dash warning lights that are 48 volt powered. I found a couple of lights but they really aren't what I'm wanting.

Anyone?

Is there an option without having to install a second dc-dc converter to use lower volt lights?
I don't want to fire up the main converter just for one light.
Can't you just put a shunt across the bulb to act as a dropper?

Re: How to get 12v from 48v battery to run accessories?
by Mark42 » May 10 2015 4:04pm

Ok, I found what I needed. Everything is available on the internet! LOL! Found a resistor calculator. For a 48v source to be dropped to 12 volts and supply 50ma, a 720 ohm 1.8 watt resistor is needed. A lot more efficient that using a golf card voltage converter.

This is the calculator I used:

http://www.gtsparkplugs.com/Dropping_Resistor_Calc.html
 
using 54 volts (fully chatged I think is 56 volts?) just use an LED at 20ma (.2amps) you come up with 330 ohm resistor at 12-15 watts.
easy
 
Back to plan 'A'

After all the fuss about not finding the right type 48 volt indicator light, I found one. It's on order and will be here ????? https://alpinetech.com/alpinetech-8mm-6 ... ire-leads/

So with the 48 volt light, I can go back to plan 'A' and install the light so it shows when power is on with the new breaker. AND, I can move the IGN switch back to where it is supposed to be. I only shunted them for fab work anyway.

I received the new breaker (70A) and the new switches. The switches are all lighted SPST @ 20A.
https://www.ebay.com/itm/252346785495?s ... 2749.l2649

My headlights are 75/55 watts, assuming that means high and low beam wattage.
If I used the calculator correctly @ 75 watts, that will only be 6.25 amps per headlight X 2 = 12.50 amps
https://www.rapidtables.com/calc/electr ... lator.html

Plus I can't find any amperage for the rear LED taillights. But they should be negligible I would think.
https://www.harborfreight.com/6-in-subm ... 64327.html

So with 20A switches, there isn't any reason for using a relay for the headlights.

Now the instructions for the OOGA horn call for a 30A circuit and a relay. (Negative ground)
I have a 4-pin relay if needed.
https://manuals.harborfreight.com/manua ... /96291.pdf (diagram on page 4)

And lastly, I removed the unnecessary ground going to the brake switch.

And here is the latest, semi-final 'final' diagram.
Still haven't worked out fuze sizes yet.

 
the reason headlights and horn have a relay is that they draw lots of amperage. Thoes toggle switches will be fried after using a couple of times.
 
A dash of this, and a dash of that.

I fired up the propane shop heater and spent some time cutting out the dash and installing the switches.




Mockup where the other components will go



How it looks from the drivers perspective
The washer to the right will be the key switch
The theory is that when I switch on the voltmeters I will be able to read the voltages
for the 48-volt battery and the 12 volts coming from the converter. (At the same time) 🤔



And here is another "it went where?" story.

The indicator light I ordered was supposed to come from Chino which is about 50-ish miles from me.
Start at the bottom and follow it's journey. All I can say is, "You've got to be kidding!"
About seven days to go 50-ish miles. Not bad Mr. DeJoy.

DECEMBER 28 - 12:22 PM Delivered, In/At Mailbox Apple valley, CA
DECEMBER 28 - 6:10 AM Out for Delivery Apple valley, CA
DECEMBER 28 - 4:20 AM Arrived at Post Office Apple valley, CA

DECEMBER 28 - 3:13 AM Arrived at USPS Facility Hesperia, CA

DECEMBER 28 - 2:11 AM Departed USPS Regional Facility San Bernardino CA distribution center
DECEMBER 27 - 8:24 AM Arrived at USPS Regional Facility San Bernardino CA distribution center

DECEMBER 27 - 6:00 AM Departed USPS Regional Facility Los Angeles CA network distribution center
DECEMBER 27 - 2:22 AM Arrived at USPS Regional Facility Los Angeles CA network distribution center

DECEMBER 26 - 12:00 AM In Transit to Next Facility

DECEMBER 25 - 10:45 AM Arrived at USPS Regional Facility Elk Grove Village IL distribution center

DECEMBER 25 - 8:25 AM Departed USPS Regional Facility Chicago IL network distribution center
DECEMBER 24 - 8:57 AM Arrived at USPS Regional Facility Chicago IL network distribution center
DECEMBER 24 - 8:09 AMDeparted USPS Regional Facility Chicago IL logistics center
DECEMBER 24 - 6:29 AM Arrived at USPS Regional Facility Chicago IL logistics center

DECEMBER 22 - 10:57 AM Arrived at USPS Regional Facility San Bernardino CA distribution center

DECEMBER 22 - 9:29 AM Departed USPS Regional Facility City of Industry CA distribution center
DECEMBER 22 - 3:26 AM Arrived at USPS Regional Origin Facility City of Industry CA distribution center

DECEMBER 22 - 2:11 AM Accepted at USPS Origin Facility Chino, CA
DECEMBER 21 - 6:40 PM Shipping Label Created, USPS Awaiting Item Chino, CA
 
Last edited:
curious? have you tried sitting in the drivers seat with the dashboard in place? would think the dashboard would hit your legs?
Got a novel idea this morning. Have a printed circuit board made that mounts all the fuses and switches. A circuit board can be made for under $5 depending on size.
I get lots of boards made for $2 for 5 boards.
would make wiring easier and cleaner.
 
curious? have you tried sitting in the drivers seat with the dashboard in place? would think the dashboard would hit your legs?
Got a novel idea this morning. Have a printed circuit board made that mounts all the fuses and switches. A circuit board can be made for under $5 depending on size.
I get lots of boards made for $2 for 5 boards.
would make wiring easier and cleaner.
Morning Idaho

Happy New Year to you and yours.

My wife asked the same question. And yes I have.
Even before deciding to put the switches/gauges where they are.
The panel is 6 inches below the seat - plenty of room.
I can reach everything easily.

The perspective from the pics doesn't reflect what is really going on. All is well.

Not sure how the circuit board idea would 'fit' into the scheme of this build, but certainly would be of interest for future builds.
 
Click for DIY Plans!
Back
Top